В руководстве приведены подробные электросхемы расположения разъемов, злектрических соединений и жгутов проводки Mazda 5 (платформа CW, 2010 – 2015 год выпуска). Отлично подойдет тем, кто желает ознакомится с устройством и провести самостоятельный ремонт электронных компонентов авто.
Поколение:
Третье
Годы выпуска:
2010, 2011, 2012, 2013, 2014, 2015
Тип кузова:
Минивэн
Двигатель:
MZR / MZR-CD
Объем двигателя:
1.6D / 1.8 / 2.0 / 2.5 л.
Мощность двигателя:
115 / 144 / 150 / 157 л.с
| Содержание мануала | |
|---|---|
| # | Глава (по алфавиту) |
| 1 | Антиблокировочная система тормозов |
| 2 | Аудиосистема |
| 3 | Вентилятор системы охлаждения |
| 4 | Звуковой сигнал |
| 5 | Иммобилайзер |
| 6 7 |
Комбинация приборов |
| 8 | Круиз-контроль |
| 9 | Меры предосторожности при работе с электрическими компонентами |
| 10 | Мультимедийный дисплей |
| 11 | Наружное освещение |
| 12 | Наружные зеркала заднего вида с электроприводом |
| 13 | Омыватель и стеклоочистители ветрового стекла (комплектация без датчика дождя) |
| 14 | Омыватель и стеклоочистители ветрового стекла (комплектация с датчиком дождя) |
| 15 | Омыватель и стеклоочиститель заднего стекла |
| 16 | Осветительное оборудование |
| 17 | Освещение салона |
| 18 | Отопитель |
| 19 | Охранная сигнализация |
| 20 | Передние сиденья с электроприводом |
| 21 | Подсветка комбинации приборов |
| 22 | Потолочный люк |
| 23 | Радиопроигрыватель |
| 24 | Разъем передачи данных |
| 25 | Распределение питания |
| 26 | Розетки электропитания |
| 27 | Система Bluetooth |
| 28 | Система блокировки переключения передач |
| 29 | Система зарядки |
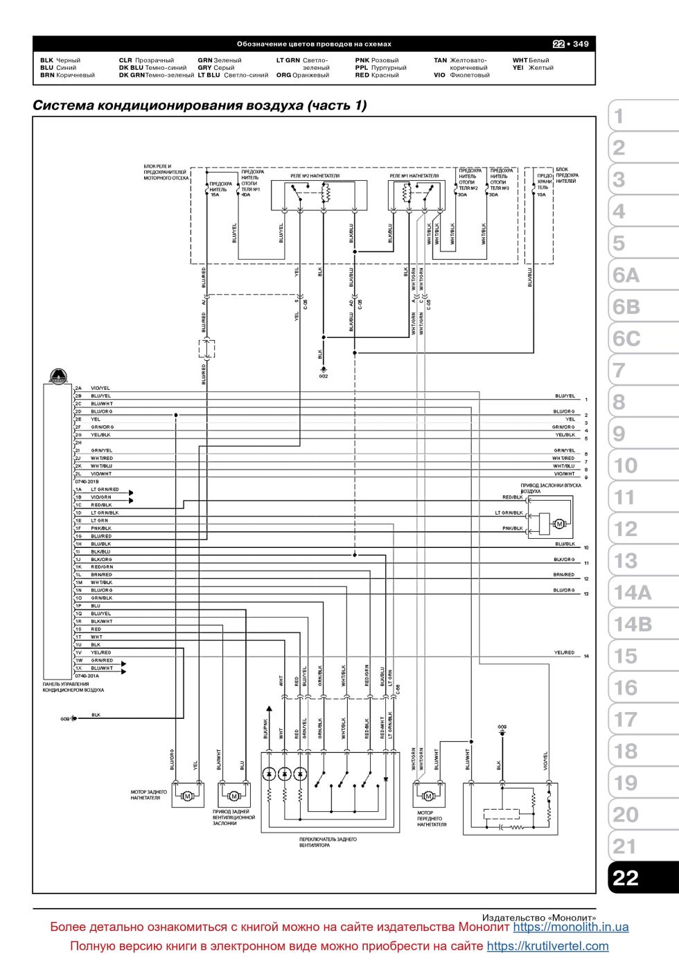
| 30 | Система кондиционирования воздуха |
| 31 | Система навигации |
| 32 | Система пассивной безопасности |
| 33 | Система пуска |
| 34 | Стеклоочистители и омыватель |
| 35 | Устройство подогрева заднего стекла и наружных зеркал заднего вида |
| 36 | Фары головного освещения (комплектация без дневных ходовых огней) |
| 37 | Фары головного освещения (комплектация с дневными ходовыми огнями) |
| 38 | Фонари освещения заднего хода |
| 39 | Центральный замок |
| 40 | ЭБУ коробкой передач |
| 41 | ЭБУ кузова |
| 42 | Электрооборудование двигателя |
| 43 | Электросистемы и электросхемы |
| 45 | Электростеклоподъемники |
| 46 | Электроусилитель рулевого управления |
| Пример страницы | |
|
|
|
Скачать Руководство по электросхемам Mazda 5 (CW, 2010 – 2015) pdf








